Щитовое оборудование (НКУ)
ВРУ-Вводно-распределительное устройство
ГРЩ Главный распределительный щит
ИКВН - инвентарная камера высоковольтная
КРУ - комплексное распределительное устройство
КТПН - комплектная трансформаторная подстанция
ПР - пункт распределительный
УЭРМ - устройство этажное распределительное
ШВУ-1 -шкафное вводно-распределительное устройство
Шкафы КИПиА - контрольно-измерительных приборов и автоматики
ШУ - Шкаф учёта
ЩАП (АВР) Щит автоматического ввода резерва
Щит ГЗШ (Главная заземляющая шина)
Щиты осветительные серии ОЩВ и УОЩВ
ЩО-70(90) - Щит одностороннего обслуживания
Ящики с понижающим трансформатором ЯТП
Ящики управления Я5000, ЯУО
ЯСН-Ящики собственных нужд
Ящик силовой серии ЯРП, ЯВЗ
Лампы
LEDEL
Кабельно-проводниковая продукция
Кабель
NYM (Силовой медный)
RG-6, SAT 703, РК 75 (Телевизионный)
UTP, FTP (Кабель информационный)
АВВГ Алюминиевый кабель
ВБбШв, ВБШв, (Бронированный)
КГ, КВВГнг (Силовой гибкий)
КГ
Провод
Арматура СИП
Изделия для прокладки кабеля и электромонтажа
ПВ
ПВС
Электромонтажные изделия и инструменты
Низковольтное оборудование
Счетчики электроэнергии
Автоматы защиты
Плавкая вставка
DIN-рейка оцинкованная
Клеммные колодки
Комплектующие для монтажа низковольтного оборудования
Контакторы
Кнопки, светосигнальная арматура
Принадлежности
Пускатели
Реле
Рубильники, разъединители, выключатели нагрузки
Шина соединительная
Трансформаторы тока
Шкафы, боксы и принадлежности к ним
ЩУРН-Корпуса металические учетно-распределительные
Корпуса металлические прочие
Корпуса, боксы пластиковые
Принадлежности и аксессуары для щитов
Корпус монтажный металлический IP31
Корпус монтажный металлический IP65
Корпуса металлические ВРУ и ГРЩ
Ящик с DIN рейкой
Инструмент, средства защиты
ЩМП Щит с монтажной панелью
Корпуса металлические распределительные ЩРН, ЩРВ
Корпуса металлические вводно-учетные ЩУ
Щит Этажный ЩЭ металлокорпус
Накладка на щит этажный
Кабеленесущие системы
Аксессуары для кабель-канала
Аксессуары для труб ПВХ
Аксессуары для металлорукава
Кабель канал перфорированный
Кембрик
Лотки
Муфта концевая
Муфта соединительная
Саморезы, гайки, болты, шурупы
Труба ПВХ гофрированная
Труба ПВХ,ПНД жесткая
Труба ПНД гофрированная
Арматура кабельная/Изоляционные материалы
Гильза соединительная для алюминиевых проводников под опрессовку
Гильза соединительная для медных проводников под опрессовку
Гильза соединительная со срывными болтами
Заглушка термоусадочная концевая
Муфта кабельная концевая
Муфта кабельная соединительная
Наконечник быстроразмыкаемый
Наконечник кабельный трубчатый для медных проводников
Наконечник обжимной кабельный для алюминиевых проводников
Наконечник обжимной кабельный для медных проводников
Наконечник обжимной кабельный для медных проводников в соответствии с DIN 46236
Наконечник-гильза для медных проводников
Разъем слаботочный
Сжим ответвительный, ответвитель
Система маркировки кабеля
Скотч и изоляционная лента
Спрей
Трубка термоусадочная
Трубки изоляционные, кембрики
Электроустановочные изделия
Уличная стойка с розетками, лючки
Выключатели, розетки, вилки, колодки
Коробки установочные, распаячные
Силовые разъемы
Удлинители, фильтры, батарейки
Блок розеток, удлинитель
Вставка/крышка для коммуникационных технологий
Диммер
Рамка декоративная для электроустановочных устройств
Розетка
Коннекторы TV, RJ-45, RJ-12
Коробки ответвительные и протяжные
Розетка на DIN рейку
Разъемы каучук
Слаботочные изделия
Светодиодные светильники
Уличные светильники
Бытовые и ЖКХ
Офисные светильники
Торгово-складские светильники
Взрывозащищенное оборудование
Внутреннее освещение
Драйверы
Люстры
Настенные
Подсветка
Потолочные
Профильные системы
Садово-Парковые светильники
Специального назначения
Аварийного назначения
Архитектурное освещение
Комплектующие к светильникам
Прожекторы светодиодные
Промышленные светильники
Декоративноая подсветка
Система управления освещением
Трековые светильники и шинопровод
Светотехнические изделия
Светильники
Специальное освещение
Общественное освещение
Промышленное освещение
Уличное освещение
Бактерицидные светильники и лампы
Люминесцентные
Люминесцентные полугерметичные
Люминесцентные растровые
Накаливания полугерметичные
Накаливания специального назначения
Парковые
Праздничное освещение
Стойки для светильников
Точечные
Уличные серии РКУ
Прожекторы металлогалогенные
Новогодняя продукция
Блоки питания к светодиодной ленте
Комплектующие к светильникам: патроны, стартера, дроссели, датчики, резисторы
Основания к светильникам
Рассеиватели для светильников
Светильники ИЭК,ТДМ
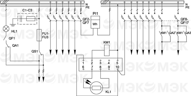
Шкафное вводно-распределительное устройство ШВУ-5 предназначено для приема, учета и распределения электрической энергии напряжением 380/220В в сетях переменного тока частотой 50 Гц с глухозаземленной нейтралью, а также для защиты отходящих линий от перегрузок и токов короткого замыкания в трех-пятиэтажных жилых, общественных и промышленных зданиях.
Шкафное вводно-распределительное устройство ШВУ -5 комплектуется из панели одностороннего обслуживания и представляет собой сварную металлоконструкцию из гнутых стальных профилей, внутри которой размещена аппаратура. Доступ в панель обеспечен со стороны фасада через дверь, которая имеет окно для снятия показаний счетчика, закрытое прозрачным материалом. Ввод и вывод питающих проводов и кабелей осуществляется снизу.
| Рабочее напряжение, В | 380 / 220 |
| Частота, Гц | 50 |
| Номинальный ток, А | 250 |
| Степень защиты по ГОСТ 14254-80: | IP31 |
| Климатические условия нормированные для исполнения категории размещения 4 по ГОСТ 15150-69 | УХЛ |
Габаритные размеры, мм:
|
|
Условия эксплуатации
Климатическое исполнение УХЛ, категория размещения 4 по ГОСТ 15150-69, высота над уровнем моря 2000 м.Температура окружающей среды от +10С до +400С при относительной влажности не более 60% при температуре +20°С.
Окружающая среда не взрывоопасная и не содержащая агрессивных паров и газов в концентрациях, разрушающих металлы и изоляцию, не насыщенная токопроводящей пылью. Место установки защищенное от попадания воды и других жидкостей, непосредственного воздействия радиации, резких толчков (ударов) и сильной тряски. Рабочее положение в про странстве - вертикальное.
| ШВУ | Шкафное вводно-распределительное устройство |
| 5 | Порядковый номер разработки |
| УХЛ4 | Вид климатического исполнения по ГОСТ 15150-69 и ГОСТ 15543.1-89 |
| 1. | Устройство ШВУ -5, шт. | 1 |
| 2. | Ключи | к каждому замку |
| 3. | Паспорт, шт. | 1 |
| 4. | Руководство по эксплуатации, шт. | 1 |
По требованию заказчика количество паспортов, инструкций и ключей может быть изменено.